A stone that can be used in liyue to search for nearby geoculi. If asked to allow access to gps confirm.
Copart Usa - Online Live Vehicle Auctions - Bid Win
On that score, find reviews of the best remote cell phone tracking apps below and pick the one that corresponds to your requirements.

Geo tracker app instructions. After the application is open and you are at your preferred starting point, simply press the “start” button. Location data capture requires app user authorization. Geotracker is built using the ionic platform on top of react.
Download app for android devices. Geotracker is an interactive android phone application that allows citizens to track the route based on the desired source/destinations. • marking important or interesting points on your way;
Not exactly a logger but more of a dedicated tracker, find my device is a gps tracker app by google. • making the way back in an unfamiliar area without getting lost; Coolpad tracker + safe & found (sprint/boost mobile) user manual & quick start guide.
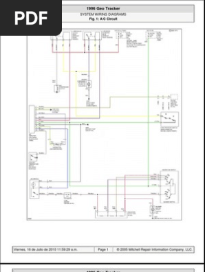
Select settings icon on the managed device. This set of instructions assumes the donor vehicle to be a 1996 geo tracker or suzuki sidekick. • locating a point on the map, if you know its coordinates;
• sharing your route with friends; The instructions for these settings are available in the application). Download the user manual and quick start guide by clicking the links below.
If asked to allow access to gps confirm. Open the geo tracker app. Open system preferences > apps > manage apps > geo tracker and set “autostart” to “enabled” and.
The instructions for these settings are available in the application). The instructions for these settings are available in the application). Mobile tracker android app source code.
This is a free app. Built by vaibhav ekambaram for swen325 assignment 3. After this, it may take several minutes for the device to initially determine the location, especially if you are in an area without network coverage.
Provide the icloud credentials to minspy wait for a few seconds, and minspy will sync with the device., mobile tracker app apk download. As the name suggests, you should install and use this app to find your android smartphone. To record a track (trip), ensure you have the gps tracks or geo tracker mobile application open.
Select the location services to turn on location services on the device in case it is turned off. Geo tracker calculates the following statistics: Download app for android devices a.
In order for geo tracker to record tracks in background correctly without interruptions on xiaomi devices, you need to make several additional settings in the system: Geo tracker is a mobile application built for recording activities. • using someone else's route from gpx, kml or kmz file;
• showing off colorful screenshots of your accomplishments in social networks. This exquisite stone plate imitates a certain mysterious quality of the geo statues of the seven, causing it to lead people to the location of geoculi.
![]()
Sinotrack Gps Tracker St-901 User Manual - Manuals
Chevy Tracker Lsi 1996 Sistema Electrico 2 Puertas Pdf Land Vehicles Electric Vehicle Manufacturers
Copart Usa - Online Live Vehicle Auctions - Bid Win
Copart Usa - Online Live Vehicle Auctions - Bid Win

Antennamastsrus - Manual Antenna Is Compatible With Geo Tracker - Suzuki Sidekick - Suzuki Vitara - Suzuki Grand Vitara - Suzuki Xl-7 - Retractable Am-fm- Buy Online In Cayman Islands At Caymandesertcartcom Productid 17765446

Chevrolet Geo Tracker 1986 - 1997 Repair Manuals In 2021 Suzuki Samurai Samurai Suzuki
Geo Tracker - Gps Tracker - Aplikasi Di Google Play
Copart Usa - Online Live Vehicle Auctions - Bid Win

Suzuki Samurai Service And Repair Manuals Suzuki Samurai Repair Manuals Samurai
Copart Usa - Online Live Vehicle Auctions - Bid Win

Geotracker - Youtube
![]()
Handling Gps Issues In Geo Tracker Geo Tracker Blog
Geo Tracker - Gps Tracker - Apps On Google Play

Suzuki Samurai 86-95 Sidekick 89-98 X-90 96-98 Vitara 99-01 Geo Tracker 86-97 Chevy Tracker 98-01 Haynes Repair Manual Does Not Cover V6 Models Or Suzuki Sport With 18l Engine - Walmartcom

Concox At5 Solar Powered Gps Tracker User Manual - Manuals

Amazoncom Antennamastsrus - Manual Antenna Is Compatible With Geo Metro Tracker - Chevrolet Tracker - Suzuki Swift Retractable Am-fm - A022 Electronics
![]()
Handling Gps Issues In Geo Tracker Geo Tracker Blog

Simple Cg Pixel Art Design Low Poly Art Low Poly Games
Copart Usa - Online Live Vehicle Auctions - Bid Win
